Llegó al centro de servicio un MICROCOMPONENTE PHILIPS DCM230/55 con problemas de audio. Aunque éste pequeño componente es barato y muchos tal vez no se tomarían la molestia de repararlo ni analizarlo, yo si lo hago porque me gusta y tengo cierta preferencia por los sistemas de audio portátiles y para los que gustan de la electrónica y están empezando a sumergirse en ese mundo no hay mejor forma de comprender su funcionamiento estudiando los circuitos de pequeños artefactos.
SINTOMAS.
SINTOMAS.
- El equipo no tiene audio en ninguna de las funciones.
- Por la toma de auriculares si hay audio.
- El resto de las funciones están correctas.
![]() |
| Philips DCM230/55 |
REPARACIÓN.
Dicho problema puede ser causado por múltiples componentes y para aislar el problema es preciso conocer de forma básica el funcionamiento del equipo.
Siempre recomiendo un análisis antes de abrir el artefacto o antes de revisarlo si es posible con ayuda del diagrama ya sea completo o en bloques, de este modo formarse una idea acerca de los componentes o bloques que se deben revisar.
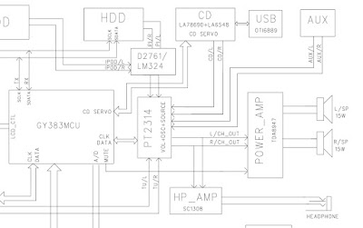
![]() |
| Diagrama en bloques DCM320 |
- Se puede ver claramente que tiene dos amplificadores de audio: el principal es un TDA8947 y para los auriculares un SC1308 y ambos reciben la señal de audio de la misma linea que sale del procesador de audio PT2314.
- Con la mirada puesta en el diagrama en bloques y comprobado antes de abrir el artefacto, el correcto funcionamiento del audio a través de los auriculares podemos concluir que el problema se encuentra en el bloque del amplificador de salida principal TDA8947.
- Esto no quiere decir que el integrado de salida está dañado y vamos a reemplazarlo; sino que reduce la cantidad de pruebas que tenemos que hacer.
- Las mediciones a realizar serían los siguientes medir el VCC, comprobar las bocinas, comprobar si tiene algún voltaje de activación o MUTE y por último revisar la señal que desactiva a este amplificador cuando está conectado el auricular.
![]() |
| TDA8947J |
- Esos minutos de tiempo que tardamos en analizar nos permite elaborar nuestro esquema de las mediciones que tenemos que realizar. Porque uno no puede abrir un equipo y comenzar a medir por medir sin saber lo que está haciendo y peor aún si no se conoce el funcionamiento al menos de forma básica de dicho artefacto.
SORPRESAS y CAMBIO DE ESTRATEGIA.
- Al abrir un equipo uno se puede llevar muchas sorpresas, de modo que podemos cambiar de estrategia para realizar la reparación y olvidar todo el esquema de mediciones que teníamos planeado realizar.
- Al abrir este equipo me dí con la sorpresa que estaba con un gran capa de suciedad, bastante polvo que formaba una capa dura como si alguna vez ese polvo hubiera entrado en contacto con algún líquido.
![]() |
| TDA8947J amplifier |
- Luego de una limpieza superficial se puede notar que las soldaduras están bastante oxidadas. Aún se puede observar la suciedad encima del TDA8947J. En su momento no tomé fotos de como estaba el equipo porque no tenía intención de realizar una entrada en mi blog. La idea de escribirlo vino cuando ya estaba corregido el defecto.
- La estrategia de reparación cambia justo en el momento de abrirlo. Porque ya podía ver que el defecto podría ser a causa de la suciedad y una vez que me puse a limpiar ya comencé a ver algo sospechoso.
- Una de las terminales de la resistencia R41 de 10K estaba demasiado sulfatado y cuando tomé el cautin para quitar la soldadura vieja la resistencia se desprendió incluido sus terminales de contacto.
- Lo correcto en ese momento es quitar la soldadura y cambiar la resistencia. En ese momento aún no sabía si el equipo iba a funcionar una vez cambiado dicha resistencia y no sabía a que sección correspondía.
![]() |
| R41 cambiada |
- Soldé provisionalmente otra resistencia y probé el equipo y LISTO....quedó funcionando correctamente.
- Mi curiosidad era ver la función que cumplía dicha resistencia o al menos en que sección estaba trabajando, así que me puse a revisar el diagrama.
![]() |
| Activación TDA8947J |
- La resistencia R41 está en la red de polarización de base de Q14 que trabaja junto a Q19 que a su vez está conectado al pin 10 del amplificador de salida de audio. Dicho pin sirve para activar o desactivar al integrado de acuerdo al estado de voltaje.
Esta reparación fue realizada de forma exitosa sin haber realizado una sola medición. Y sucede muchas veces en nuestro centro de servicio, pero eso no significa que no podemos aprender algo de ello y en este caso el análisis del circuito motivado por la curiosidad conduce a dar un vistazo al diagrama para tener en cuenta en futuras reparaciones.







4 Comentarios
Muchas gracias me sirvio de mucha ayuda
ResponderBorrarMe alegra que te haya servido mi pequeño aporte, un saludo desde Lima - Perú. Gracias
BorrarHola, gracias por tu blog y la información. Tengo un equipo igual. Y a veces los botones frontal no obedecen como debería. El de subir volumen a veces lo sube o a veces lo baja. Igual otras teclas. Que recomiendas revisar? Gracias.
ResponderBorrarRecomiendo desarmar el equipo, quitar todo el polvo, luego desarmar hasta llegar a la placa controladora de los botones, desmontarla y darle una lavada con alcohol isopropilico, dejar secar, y por último aislar la parte interna de los botones con cinta aislante que luego estos tocaron con los pulsadores de la placa controladora, eso dará una mejor respuesta de los botones al volverlo a ensamblar todo. Espero y sirva de ayuda.
Borrar